數控回轉工作臺,數控銑床常用部件之一
引言:說到數控回轉工作臺有很多人都不是很了解,感覺很陌生,畢竟生活中很少能夠接觸到,只有工廠里面才有這樣的設備,所以不了解也是很正常的事情,下面就跟我們一起來了解一下數控回轉工作臺的相關資料介紹吧。
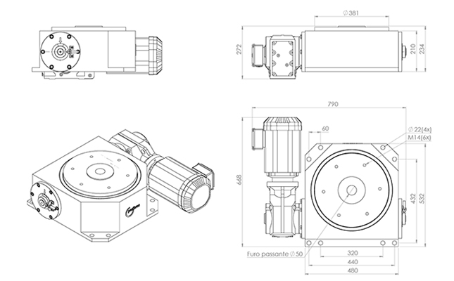
數控回轉工作臺是數控銑床常用部件,常作為數控銑床的一個伺服軸,即立式數控銑床的C軸和臥式數控銑床的B軸。數控回轉工作臺適用于板類和箱體類工件的連續回轉加工和多面加工,由數控系統控制。
數控回轉工作臺主要用于數控鏜床和銑床,其外形和通用工作臺幾乎一樣,但它的驅動是伺服系統的驅動方式。它可以與其他伺服進給軸聯動。
它的進給、分度轉位和定位鎖緊都是由給定的指令進行控制的。工作臺的運動是由伺服電動機,經齒輪減速后由蝸桿傳給蝸輪。
為了消除蝸桿副的傳動間隙,采用了雙螺距漸厚蝸桿,通過移動蝸桿的軸向位置調整間隙。這種蝸桿的左右兩側面具有不同的螺距,因此蝸桿齒厚從頭到尾逐漸增厚。但由于同一側的螺距是相同的,所以仍然可以保持正常的嚙合。
主要機構
數控回轉工作臺有兩個相互垂直的定位面,而且裝有定位鍵,可方便地進行立式或臥式安裝。工件可由主軸孔定心,也可裝夾在工作臺的T形槽內。工作臺可以完成任意角度分度和連續回轉進給運動。工作臺的回 轉由直流伺服電動機驅動,其尾部裝有檢測用編碼器(1000脈沖信號/轉),可實現半閉環控制。
工作時,首先由氣液轉換裝置中的電磁換向閥換向,使其中的汽缸左腔進氣,右腔排氣,活塞桿向右退回,油腔及管路中的油壓下降,夾緊液壓缸上腔減壓,活塞在彈簧的作用下向上運動,拉桿松開工作臺。同時觸頭退回,松開夾緊信號開關,壓下 松開信號開關。此時直流伺服電動機開始驅動工作臺回轉(或分度)。
工作臺回轉完畢(或分度到位)后,氣液轉換裝置中的電磁換向閥換向,使汽缸右腔進氣,左腔排氣,活塞桿向左伸出,油腔、油管及夾緊液壓缸上腔的油壓增加,使活塞壓縮彈簧,拉桿下移,將工作臺壓 緊在底座上,同時觸頭在油壓作用下向外伸出,松開松開信號開關,壓下夾緊信號開關。
當工作臺靜止時必須處于鎖緊狀態。為此,在蝸輪底部的輻射方向有8對夾緊瓦,并在底座上均布同樣數量的小液壓缸。當小液壓缸的上腔接通壓力油時,活塞便壓向鋼球,撐開夾緊瓦,并夾緊蝸輪。在工作臺需要回轉時,先使小液壓缸的上腔接通回油路,在彈簧的作用下,鋼球抬起,夾緊瓦將蝸輪松開。
回轉工作臺的導軌面由大型滾動軸承支承,并由圓錐滾柱軸承及雙列向心圓柱滾子軸承保持準確的回轉中心。數控回轉工作臺的定位精度主要取決于蝸桿副的傳動精度,因而必須采用高精度蝸桿副。在半閉環控制系統中,可以在實際測量工作臺靜態定位誤差之后,確定需要補償角度的位置和補償的值,記憶在補償回路中,由數控裝置進行誤差補償。在全閉環控制系統中,由高精度的圓光柵發出工作臺精確到位信號,反饋給數控裝置進行控制。
回轉工作臺設有零點,當它作回零運動時,先用擋鐵壓下限位開關,使工作臺降速,然后由圓光柵或編碼器發出零位信號,使工作臺準確地停在零位。數控回轉工作臺可以作任意角度的回轉和分度,也可以作連續回轉進給運動。
控制系統
數控回轉工作臺的控制系統有兩種,一種是集中式控制,即機器人的全部控制由一臺微型計算機完成。另一種是分散(級)式控制,即采用多臺微機來分擔機器人的控制,如當采用上、下兩級微機共同完成機器人的控制時,主機常用于負責系統的管理、通訊、運動學和動力學計算,并向下級微機發送指令信息;作為下級從機,各關節分別對應一個CPU,進行插補運算和伺服控制處理,實現給定的運動,并向主機反饋信息。
根據作業任務要求的不同,機器人的控制方式又可分為點位控制、連續軌跡控制和力(力矩)控制。
以上的資料介紹就是關于數控回轉工作臺的內容,工作臺好不好用,直接影響設備的工作效率,所以我們在選購工作臺的時候一定要注意它的實用性能。更多關于數控回轉工作臺的內容,可以關注我們的公眾號。



